CROSBY, G-2130, BOLT TYPE ANCHOR SHACKLES สะเก็น
Tags:
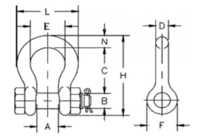
The Crosby G-2130 Bolt Type Anchor Shackles with thin head bolt - nut with a collar pin.
THB0.00
Choose Quantity
Product Details
• Capacities ranging from 330kg up to 150,000kg grade 6
• Working load limit and grade permanently shown on every single shackle
• Forged - quenched and tempered, with alloy pins
• Hot dip galvanised or self-coloured (85t, 120t, and 150t shackles are all hot dip galvanised bows and the bolts are Dimecoated and painted red)
• Capacities ranging from 330kg up to 55,000kg are fatigue rated
• Shackles that are 25,000kg or over are RFID-equipped
• Approved for use at -40?C up to 204 ?C
• Meets and exceeds all requirements of ASME B30.26
• Shackles that are 85t or larger are individually proof tested o 2.0 times the working load limit
• Type approval and certification in accordance with ABS 2011 Steel Vessel Rules 1-1-17.7 and ABS Guide for certification of cranes
• 3.1 Certification as standard available for charpy and statistical proof test for pg 79 up to 25,000kg to DNV2.7-1 and EN13889
• All 2130 shackles can meet charpy requirements of 42 joules (31ft-lbs) Avg at -20?C upon special request
• Look for the Red Pin... The mark of genuine Crosby quality

